
黃油流量計
- 品*:JKM/凱銘儀表
- 型號:JKM-LWGY
- 測量范圍:0.04~800m3/h
- 精度等級:0.5級、1.0級
- 公稱通徑:DN4~DN200
- 適用介質:水 油 醇 純凈液體
- 工作壓力:1.6~6.3MPa
- 工作溫度:-20~+100℃
- 供電方式:24VDC 3.6V鋰電池
- 訂貨號:GNV239194DTT
黃油流量計產品概述
渦輪流量計原理是感應線 圈和永久磁鐵一起固定在殼體上。當鐵磁性渦輪葉片經過磁鐵時,磁路的磁阻發生變化,從而產生感應信號。信號經放大器放大和整形,送到計數器或頻率計,顯示總的積算流量。同時將脈沖頻率經過頻率-電壓轉換以指示瞬時流量。渦輪流量計的葉輪的轉速正比于流量,葉輪的轉數正比于流過的總量。渦輪流量計的輸出是頻率調制式信號,不僅提高了檢測電路的抗干擾性,而且簡化了流量檢測系統。它的量程比可達10:1,精度在±0.2%以內。慣性小而且尺寸小的渦輪流量計的時間常數可達0.01秒。
渦輪流量計是采用一體化液體渦輪流量計結構為防爆設計,可以顯示流量總量,瞬時流量和流量滿度百分比。電池采用長效鋰電池,單功能積算表電池使用壽命可達5年以上,多功能顯示表電池使用壽命也可達到12個月以上。渦輪流量計是一體化表頭可以顯示的流量單位眾多,有立方米,加侖,升,標準立方米,標準升等,可以設定固定壓力、溫度參數對氣體進行補償,對壓力和溫度參數變化不大的場合,可使用該儀表進行固定補償積算。
渦輪流量計是吸取了國內外流量儀表先進技術經過優化設計,具有結構簡單、輕巧、精度高、復現性好、反應靈敏,安裝維護使用方便等特點的新一代流量計,若與具有特殊功能的顯示儀表配套,還可以進行A定量控制、超量報警等,是流量計量和節能的理想儀表。 該類渦輪流量產品本身具備現場顯示功能,也可將流量信號以脈沖的形式遠傳輸出。儀表價格低廉,集成度高,體積小巧,特別適用于與二次顯示儀、PLC、DCS等計算機控制系統配合使用。

黃油流量計產品特點
1、維護方便高精度,一般可達±1%R、±0.5%R,高精度型可達±0.2%R;
2、重復性好,短期重復性可達0.05%~0.2%,正是由于具有良好的重復性,如經常校準或在線校準可得到極高的精確度,在貿易結算中是優先選用的流量計;
3、輸出脈沖頻率信號,適用總量計量及與計算機連接,無零點漂移,抗干擾能力強;
4、可獲得很高的頻率信號(3~4kHz),信號分辨力強;
5、范圍度款,中大口徑可達1:20,小口徑為1:10;
6、結構緊湊輕巧,安裝維護方便,流通能力大;
7、適用高壓測量,儀表表體上不必開孔,易制成高壓型儀表;
8、專用型傳感器類型多,可根據用戶特殊需要設計為各類專用型傳感器,例如低溫型、雙向型、井下型、混砂專用型等
9、可制成插入式渦輪流量計,適用于大口徑測量,壓力損失小,價格低,可不斷流取出,安裝。
黃油流量計基本參數
1、執行標準:渦輪流量傳感器(JB/T9246-1999)
2、儀表口徑(mm)及連接方式:4、6、10、15、20、25、32、40、50、65、80采用螺紋連接
3、精度等級:±1%R、±0.5%R、±0.2%R(需特制)
4、量程比:1:10;1:15;1:20
5、傳感器材質:304不銹鋼、316(L)不銹鋼等
6、使用條件:介質溫度:-20℃~+120℃,環境溫度:-20℃~+60℃
7、相對濕度:5%~90%
8、大氣壓力:86Kpa~106Kpa
9、信號輸出功能:脈沖信號、4~20mA信號
10、通訊輸出功能:RS485通訊、HART協議等
11、工作電源:外電源:+24VDC±15%,紋波≤±5%,適用于4-20mA輸出、脈沖輸出、RS485等,內電源:1組3.0V10AH鋰電池,電池電壓在2.0V~3.0V時均可正常工作。
12、信號線接口:基本型:豪斯曼接頭或自帶三芯線纜;防爆型:內螺紋M20*1.5
13、防爆等級:ExiaIICT4或ExdIIBT6
14、防護等級:IP65或更高(可訂制)
黃油流量計工作原理
流體流經傳感器殼體,由于葉輪的葉片與流向有一定的角度,流體的沖力使葉片具有轉動力矩,克服摩擦力矩和流體阻力之后葉片旋轉,在力矩平衡后轉速穩定,在一定的條件下,轉速與流速成正比,由于葉片有導磁性,它處于信號檢測器(由永久磁鋼和線圈組成)的磁場中,旋轉的葉片切割磁力線,周期性的改變著線圈的磁通量,從而使線圈兩端感應出電脈沖信號,此信號經過放大器的放大整形,形成有一定幅度的連續的矩形脈沖波,可遠傳至顯示儀表,顯示出流體的瞬時流量或總量。在一定的流量范圍內,脈沖頻率f與流經傳感器的流體的瞬時流量Q成正比,流量方程為:

式中:
f--脈沖頻率[Hz]
k--傳感器的儀表系數[1/m3],由校驗單給出。
Q--流體的瞬時流量(工作狀態下)[m3/h]
3600--秒時換算系數
每臺傳感器的儀表系數由制造廠填寫在檢定**中,k值設入配套的顯示儀表中,便可顯示出瞬時流量和累積總量。
黃油流量計選型
正確選型才能保證渦輪流量計更好的使用。選用什么種類的渦輪流量計應根據被測流體介質的物理性質和化學性質來決定?使渦輪流量計的通徑、流量范圍、襯里材料、電極材料和輸出電流等都能適應被測流體的性質和流量測量的要求.
1、精密功能檢查
精度等級和功能根據測量要求和使用場合選擇儀表精度等級,做到經濟合算。比如用于貿易結算、產品交接和能源計量的場合,應該選擇精度等級高些,如1.0級、0.5級,或者更高等級; 用于過程控制的場合,根據控制要求選擇不同精度等級;有些僅僅是檢測一下過程流量,無需做精確控制和計量的場合,可以選擇精度等級稍低的,如1.5級、2.5級,甚至 4.0級,這時可以選用價格低廉的插入式渦輪流量計。
2、可測量的介質
測量介質流速、儀表量程與口徑測量一般的介質時,渦輪流量計的滿度流量可以在測量介質流速0.5-12m/s范圍內選用,范圍比較寬。選擇儀表規格(口徑)不一定與工藝管道相同,應視測量流量范圍是否在流速范圍內確定,即當管道流速偏低,不能滿足流量儀表要求時或者在此流速下測量準確度不能保證時,需要縮小儀表口徑,從而提高管內流速,得到滿意測量結果。
| 型號 | 說明 | |||||||
| LWGY- | □ | /□ | /□ | /□ | /□ | /□ | /□ | |
| 公稱通徑 | 4 | 4mm | ||||||
| 6 | 6mm | |||||||
| 10 | 10mm | |||||||
| 15 | 15mm | |||||||
| 20 | 20mm | |||||||
| 25 | 25mm | |||||||
| 32 | 32mm | |||||||
| 40 | 40mm | |||||||
| 50 | 50mm | |||||||
| 65 | 65mm | |||||||
| 80 | 80mm | |||||||
| 100 | 100mm | |||||||
| 125 | 125mm | |||||||
| 150 | 150mm | |||||||
| 200 | 200mm | |||||||
| 類型 | N | 傳感器型:+12V或24V供電,輸出三線制脈沖信號 | ||||||
| A | 變送器型:+24V供電,輸出二線制4~20mA | |||||||
| B | 智能型:鋰電池供電,現場顯示無信號輸出 | |||||||
| C | 智能型:+24V供電,現場顯示并輸出二線制4~20mA | |||||||
| C1 | 智能型:+24V供電,現場顯示并帶有RS485通訊協議 | |||||||
| C2 | 智能型:+24V供電,現場顯示并帶有HART通訊協議 | |||||||
| 精度等級 | 05 | 0.5級 | ||||||
| 10 | 1.0級 | |||||||
| 02 | 0.2級(協商訂貨,生產周期較長) | |||||||
| 渦輪類型 | W | 擴展測量范圍 | ||||||
| S | 標準測量范圍 | |||||||
| 材 質 | S | 304不銹鋼 | ||||||
| L | 316(L)不銹鋼 | |||||||
| 防 爆 | N | 非防爆型 | ||||||
| E | 防爆型,ExdⅡBT6 | |||||||
| 壓力等級 | N | 常規 | ||||||
| H(x) | 高壓 | |||||||
黃油流量計的流量范圍
|
儀表口徑 (mm) |
正常流量范圍 (m3/h) |
擴展流量范圍 (m3/h) | 默認安裝方式及耐壓等級 | 可選安裝方式及默認耐壓等級 |
特制耐壓等級 (MPa) |
| DN4 | 0.04~0.25 | 0.04~0.4 | 螺紋安裝、6.3Mpa | 法蘭安裝、2.5MPa | 12、16、25 |
| DN6 | 0.1~0.6 | 0.06~0.6 | 螺紋安裝、6.3Mpa | 法蘭安裝、2.5MPa | 12、16、25 |
| DN10 | 0.2~1.2 | 0.15~1.5 | 螺紋安裝、6.3Mpa | 法蘭安裝、2.5MPa | 12、16、25 |
| DN15 | 0.6~6 | 0.4~8 | 螺紋安裝、6.3Mpa | 法蘭安裝、2.5MPa | 4.0、6.3、12、16、25 |
| DN20 | 0.8~8 | 0.45~9 | 螺紋安裝、6.3Mpa | 法蘭安裝、2.5MPa | 4.0、6.3、12、16、25 |
| DN25 | 1~10 | 0.5~10 | 螺紋安裝、6.3Mpa | 法蘭安裝、2.5MPa | 4.0、6.3、12、16、25 |
| DN32 | 1.5~15 | 0.8~15 | 螺紋安裝、6.3Mpa | 法蘭安裝、2.5MPa | 4.0、6.3、12、16、25 |
| DN40 | 2~20 | 1~20 | 螺紋安裝、6.3Mpa | 法蘭安裝、2.5MPa | 4.0、6.3、12、16、25 |
| DN50 | 4~40 | 2~40 | 法蘭安裝、2.5Mpa | 螺紋連接、6.3MPa | 4.0、6.3、12、16、25 |
| DN65 | 7~70 | 4~70 | 法蘭安裝、1.6Mpa | 螺紋連接、6.3MPa | 4.0、6.3、12、16、25 |
| DN80 | 10~100 | 5~100 | 法蘭安裝、1.6Mpa | 螺紋連接、6.3MPa | 4.0、6.3、12、16、25 |
| DN100 | 20~200 | 10~200 | 法蘭安裝、1.6Mpa | 4.0、6.3、12、16、25 | |
| DN125 | 25~250 | 13~250 | 法蘭安裝、1.6Mpa | 2.5、4.0、6.3、12、16 | |
| DN150 | 30~300 | 15~300 | 法蘭安裝、1.6Mpa | 2.5、4.0、6.3、12、16 | |
| DN200 | 80~800 | 40~800 | 法蘭安裝、1.6Mpa | 2.5、4.0、6.3、12、16 |
黃油流量計的安裝
為了確保渦輪流量計的測量準確,必須正確地選擇安裝位置和方法
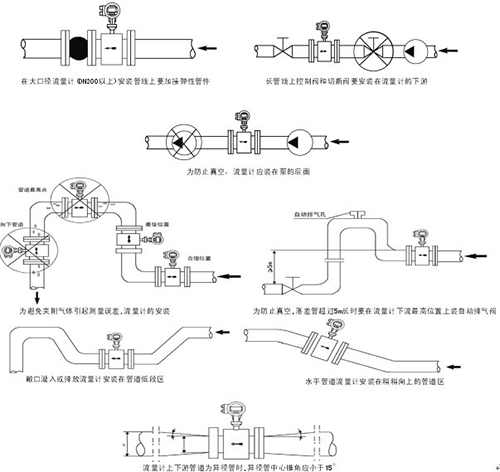
1、對直管段的要求:流量計必須水平安裝在管道上(管道傾斜在5以內),安裝時流量計軸線應與管道軸線同心,流向要一致。 流量計上游管道長度應有不小于2D的等徑直管段,如果安裝場所充許建議上游直管段為20D、下游為5D。
2、對配管的要求:安裝點的上下游配管的內徑與流量計內徑相同。
3、對旁通管的要求:為了保證流量計檢修時不影響介質的正常使用,在流量計的前后管道上應安裝切斷閥門(截止閥),同時應設置旁通管道。流量控制閥要安裝在流量計的下游,使用時上游所裝的截止閥必須全開,避免上游部分的流體產生不穩流現象。
4、對外部環境的要求:流量計*好安裝在室內,必須要安裝在室外時,一定要采用防曬、防雨.防雷措施,以免影響使用壽命。
5、對介質中含有雜質的要求:為了保證流量計的使用壽命,應在流量計的直管段前安裝過濾器。
6、安裝場所:流量計應安裝在便于維修,無強電磁干擾與熱輻射的場所。
7、對安裝焊接的要求:用戶另配一對標準法蘭焊在前后管道上。不允許帶流量計焊接! 安裝流量計前應嚴格清除管道中焊渣等臟物,*好用等徑的管道(或旁通管)代替流量計進行吹掃管道。以確保在使用過程中流量計不受損壞。 安裝流量計時,法蘭間的密封墊片不能凹入管道內。
8、接地的要求:流量計應可靠接地,不能與強電系統地線共用。
9、對于防爆型產品的要求:為了儀表安全正常使用,應復核防爆型流量計的使用環境是否與用戶防爆要求規定相符,且安裝使用過程中,應嚴格遵守**防爆型產品使用要求,用戶不得自行更改防爆系統的連接方式,不得隨意打開儀表。 選型在規定的流量范圍內,防止超速運行,以保證獲得理想準確度和保證正常使用壽命。 安裝流量計前應清理管道內雜物:碎片、焊渣、石塊、粉塵等推薦在上游安裝5微米篩孔的過濾器用于阻擋液滴和沙粒。 流量計投運時應緩慢地先開啟前閥門,后開啟后閥門,防止瞬間氣流沖擊而損害渦輪。 加潤滑油應按告示*操作,加油的次數依氣質潔凈程度而定,通常每年2-3次。由于試壓、吹掃管道或排氣造成渦輪超速運轉,以及渦輪在反向流中運轉都會可能使流量計損壞。 流量計運行時不允許隨意打開前.后蓋,更動內部有關參數,否則將影響流量計的正常運行。 小心安裝墊片,確保沒有突出物進入管道,以防止干擾正常的流量測量。 在標定時要在流量計取壓口上采集壓力。




上一篇:船用油流量計|指針齒輪容積式
下一篇:渣油流量計|耐高溫液體渦輪式


